Logo - T.J. Frazier Ltd.

Technical reference page: 73
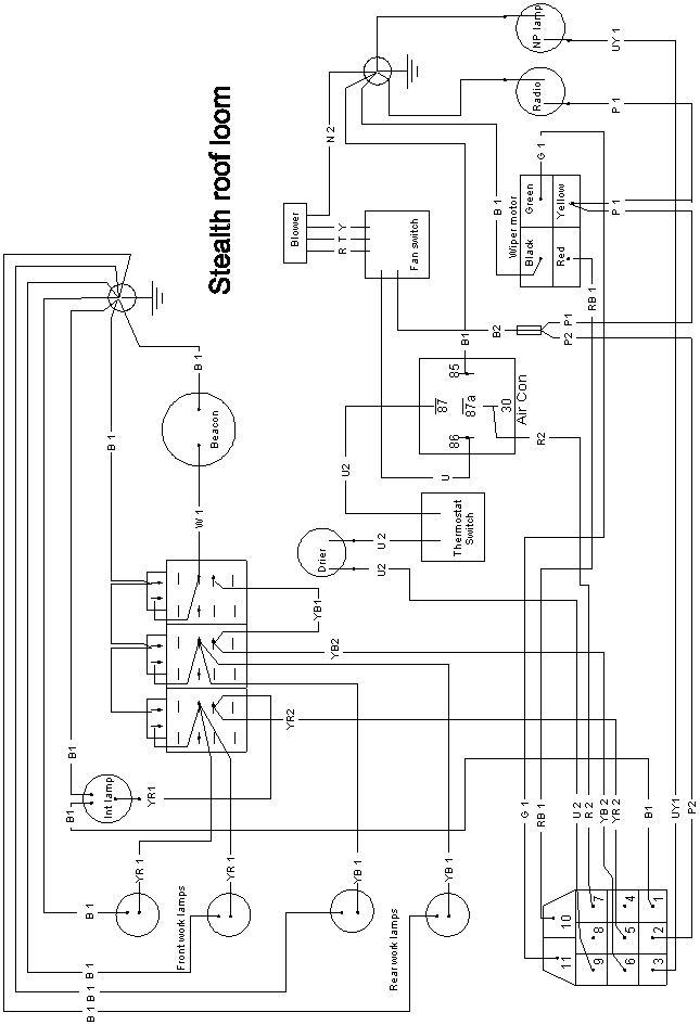
Wiring - roof loom, Stealth