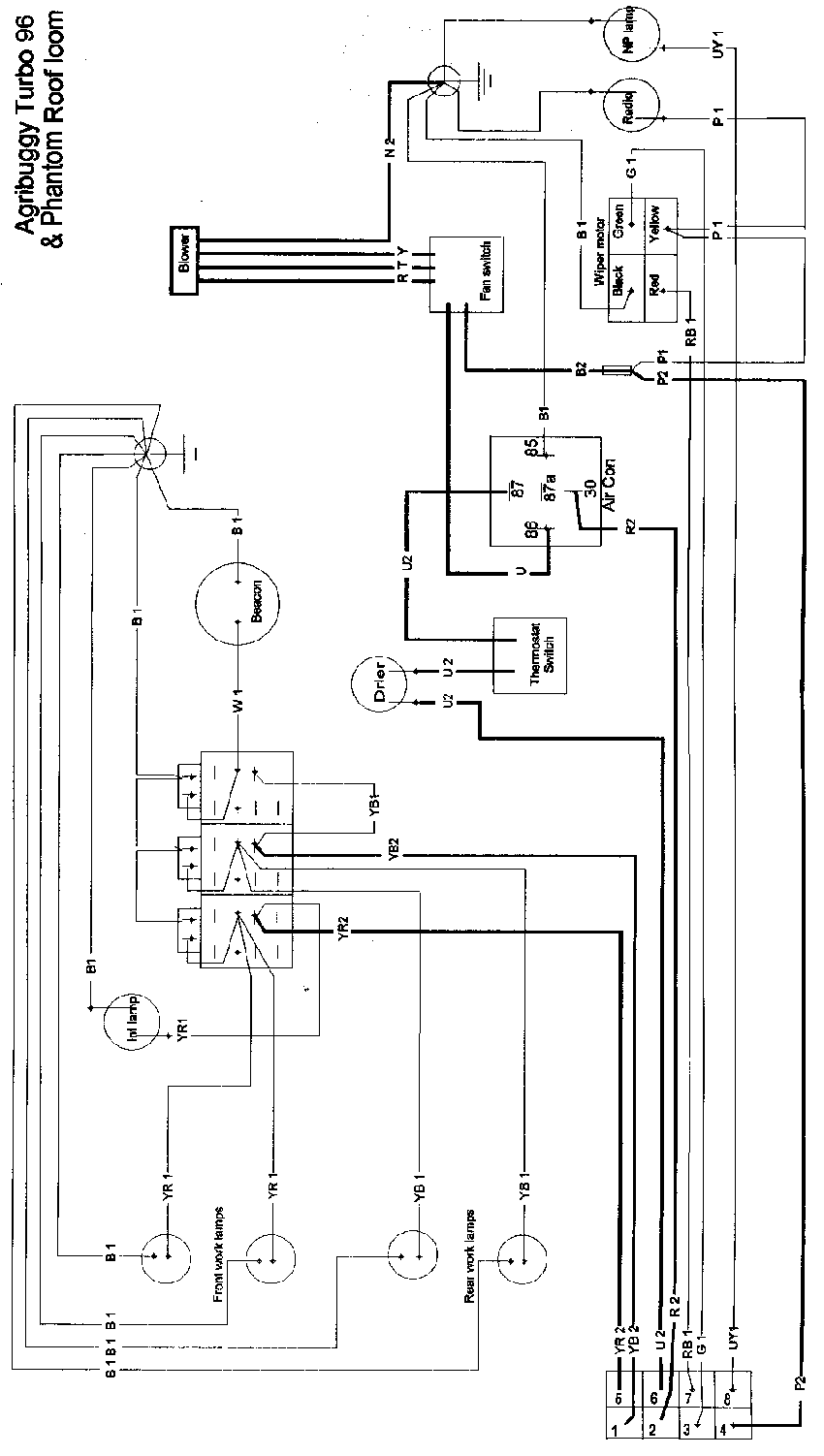
T. J. Frazier Ltd - Technical reference page: 47 - Ag/Ph - Roof wiring loom Oct95>