Logo - T.J. Frazier Ltd.

Technical reference page: 72
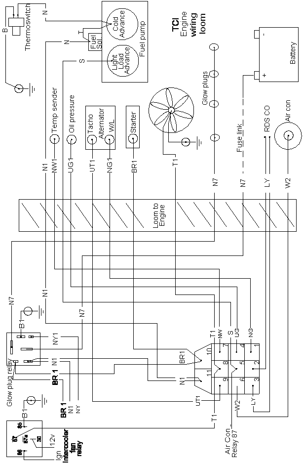
Wiring - TCI engine - Electric cooling fans 97>