Logo - T.J. Frazier Ltd.
Technical reference page: 71
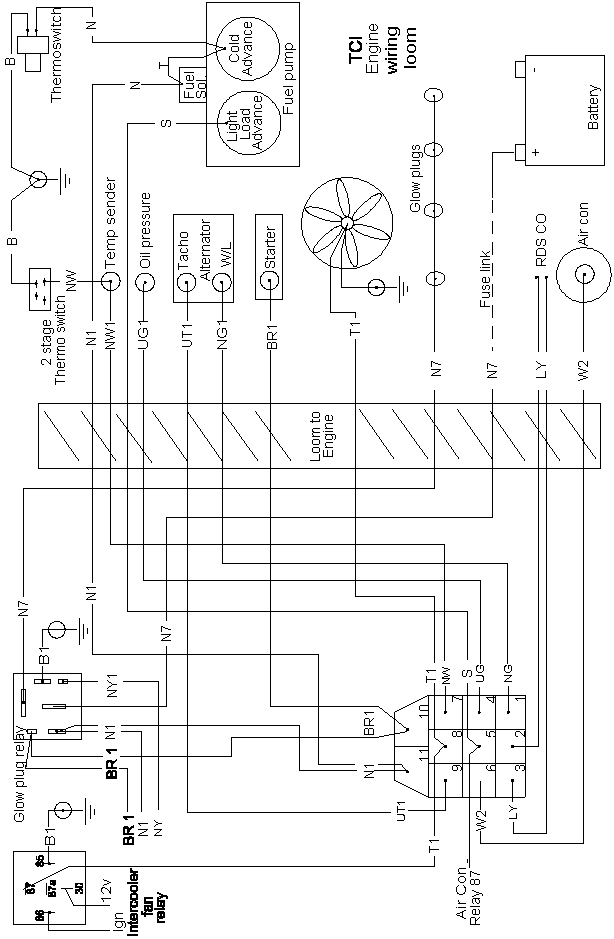
Wiring - TCI engines - hydraulic cooling fans