Logo - T.J. Frazier Ltd.

Technical reference page: 65
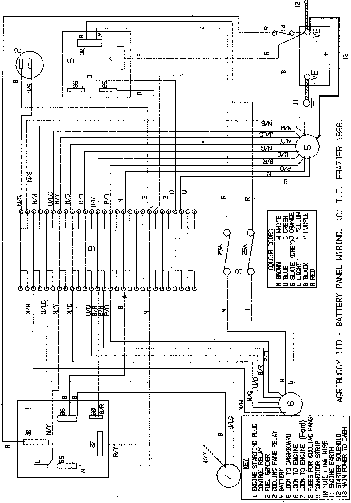
Wiring - Junction panel Ag 2D 86>89 (under cab)