Logo - T.J. Frazier Ltd.

Technical reference page: 70

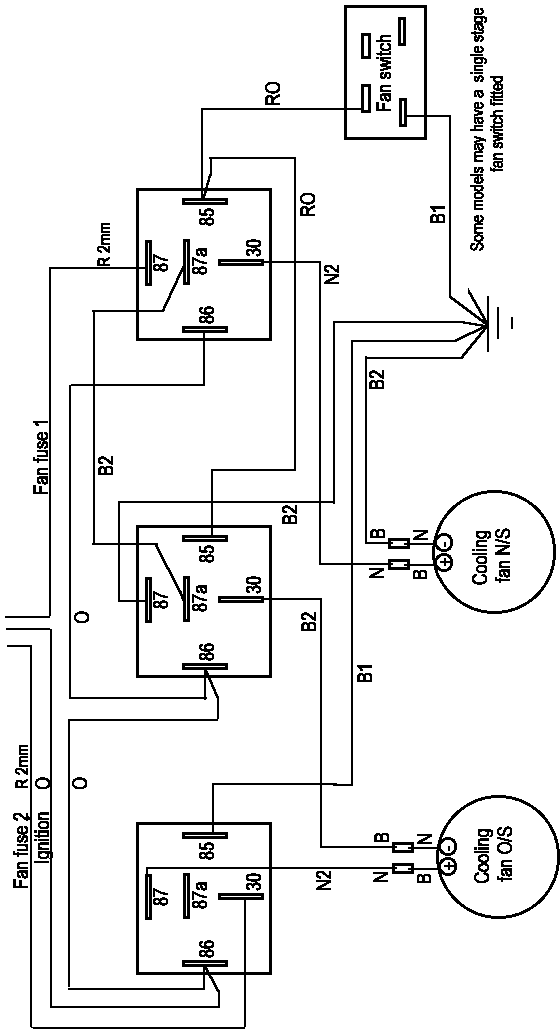
Turbo cooling fan wiring - Ag/Ph/St 97>