Logo - T.J. Frazier Ltd.

Technical reference page: 68

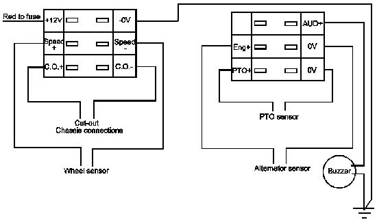
Wiring - RDS Delta 1 - Harting connectors