Logo - T.J. Frazier Ltd.

Technical reference page: 45

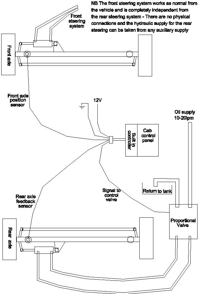
Frazier electronic four wheel steer - schematic layout