Logo - T.J. Frazier Ltd.

Technical reference page: 80
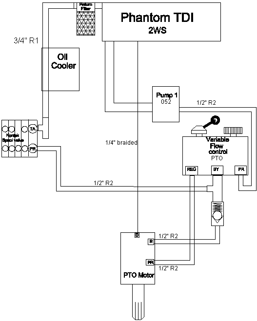
Hydraulic piping - Phantom TDI 2ws - std system