Logo - T.J. Frazier Ltd.
Technical reference page: 33

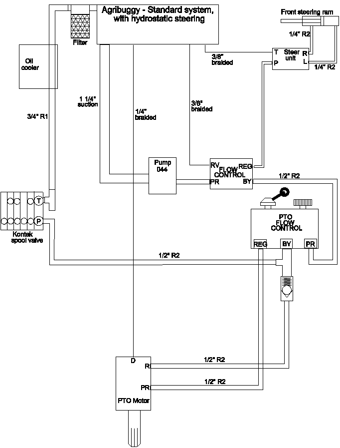
Hydraulic piping diagram - Agribuggy, standard system, PAS