Logo - T.J. Frazier Ltd.

Page ref: 167

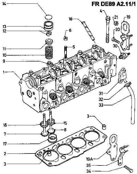
Ford XLD418 NA/TC/TCI cylinder head

NB For head gaskets please specify number of teeth