Logo - T.J. Frazier Ltd.

Page ref: 165

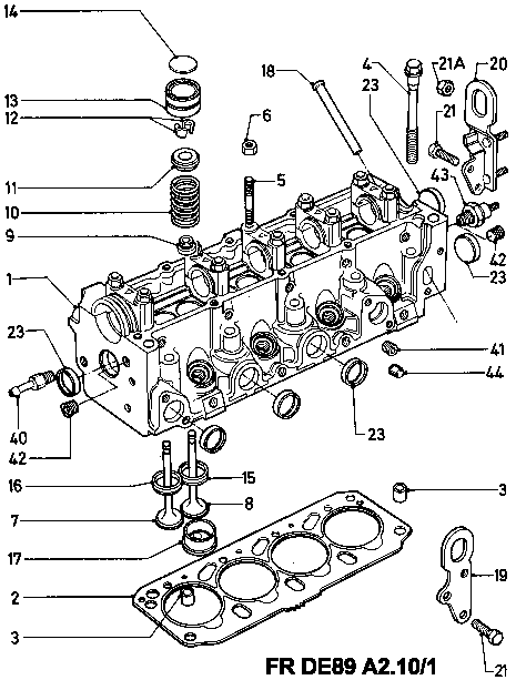
Ford XLD416 1.6 Cylinder head

NB - For head gaskets state number of teeth on side