Logo - T.J. Frazier Ltd.

Page ref: 164

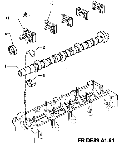
Ford XLD418 NA/TC/TCI camshaft