![]()
Page ref: 46
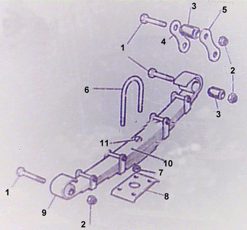
Suspension - Leaf springs - All models

|
1 |
Shackle bolt |
|
|
2 |
Shackle bolt nut |
|
|
3 |
Chassis / spring bush |
|
|
4 |
Swinging shackle plate |
Plain holes |
|
5 |
Swinging shackle plate |
threaded holes |
|
6 |
U bolt |
std |
|
6 |
U bolt |
Landrover axle front O/S |
|
6 |
U bolt |
HD axle front O/S |
|
7 |
U bolt nut |
|
|
8 |
Spring plate |
std |
|
8 |
Spring plate |
HD axle front O/S |
|
9 |
Leaf spring |
13 leaf |
|
10 |
Top leaf only |
|
|
11 |
Spring centre bolt |
|