Logo - T.J. Frazier Ltd.

Parts page ref: 232
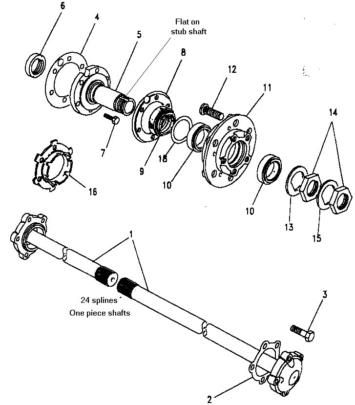
LandRover rear axle - hub/half shaft
Jun 93 > - axle code 42S