Logo - T.J. Frazier Ltd.

Parts page ref: 229
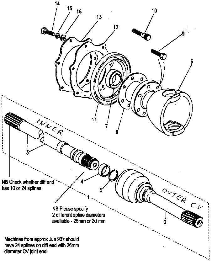
LandRover steer axle - swivel ball / halfshafts
All models